Узип обозначение на однолинейной схеме - найдено 60 изображений

Смотреть видео: Узип обозначение на однолинейной схеме



Найдено изображений: 60

Узип обозначение на однолинейной схеме
"Изменение N 4 к СП 256.1325800.2016 "Электроустановки жилых и общественных здан
"Изменение N 4 к СП 256.1325800.2016 "Электроустановки жилых и общественных здан
1. Силовые распределительные сети
B20, B20M :: СВ-Технология
HAKEL --- грозозащита, УЗИП, устройства для защиты от импульсных перенапряжений
HAKEL --- грозозащита, УЗИП, устройства для защиты от импульсных перенапряжений
HAKEL --- грозозащита, УЗИП, устройства для защиты от импульсных перенапряжений
MOP20-1-B IEK KARAT Ограничитель имп. перенапр. ОПС1-B 1Р In=30kA Un=400B Im=60k
Безопасность в доме: устройство защиты от импульсных перенапряжений IEK GROUP Дз
Буквенное обозначение опн на схеме
Буквенное обозначение опн на схеме
Внесение изменений в однолинейную схему - 86 фото
ВРУ-3-12 УХЛ4 по цене производителя "Уральские ЭнергоСистемы"
Где найти схему подключения устройства защиты от импульсных перенапряжений?
Грозозащита и заземление - разработка, монтаж и обслуживание в Иваново, Кинешме,
Грозозащита своими руками оригинально
Защита от молний в частном доме
Защита электроустановок от импульсных грозовых и коммутационных перенапрежений -
Защиты от импульсных перенапряжений в быту. Особенности эксплуатации
Землить ли PEN на вводе? - обсуждение (31609218) на форуме nn.ru
Как начертить однолинейную схему электроснабжения на компьютере: Чертим однолине
Как обозначается реле напряжения на однолинейной схеме Электрик в доме Дзен
Как обозначается тепловое реле на однолинейной схеме
Комплектные трансформаторные подстанции на напряжение 35/0,4кВ типа КТПМБ
Комплектные трансформаторные подстанции наружной установки проходные киоскового
Контакторы обозначение на схеме
Малогабаритные трансформаторные подстанции наружной установки КТПН-Орб07М АО Орб
Молниезащита, грозозащита, защита от импульсных перенапряжений и защита от элект
Обозначение опн на однолинейной схеме - TouristMaps.ru
Обозначение УЗО на схеме по ГОСТ. Как обозначается УЗО на однолинейной схеме
Ограничители перенапряжения в домашней электропроводке - назначение, виды, схемы
Ограничитель перенапряжений АСТРОЮПН-12/0.4 - Короткие замыкания и выбор электро
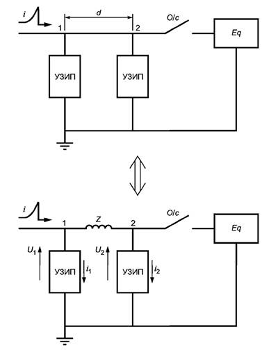
Особенности и проблемы применения УЗИП для информационных линий в цепях с больши
Ответы Mail.ru: Как на принципиальных эл.схемах обозначается ограничитель перена
Подключение УЗИП
Применение УЗИП класса I - ЭнергоБеларусь
Применение УЗИП класса I - ЭнергоБеларусь
Проект электроснабжения частного дома 15 кВт 3 фазы: однолинейная схема щита
Проектанты!!! Безалаберность, похренизм, наплевательство и халатность!! / Порка!
Простая однолинейная схема электропроводки для однокомнатной или двухкомнатной к
Размещение ограничителей перенапряжений - общие замечания - ZANDZ.KZ
Разрыв на однолинейной схеме
Расшифровка зно - Вопросы и ответы
Рубильник обозначение на однолинейной схеме: Nothing found for Elektrooborudovan
Составить однолинейные схемы
Способы защиты от перенапряжений в электрических сетях
Способы защиты от перенапряжений в электрических сетях
Статья на тему Проект общего освещения, электроснабжения розеточной сети - Профс
Схема электроснабжения квартиры - Строй Групп
Технический бюллетень TNP021 01.04.2017 г. УЗИП, ЩЗИП ®. Рекомендации по монтажу
Устройства защиты от импульсных перенапряжений низковольтные. Часть 12. Устройст
Устройство защиты от импульсных перенапряжений (узип): назначение, принцип работ
Устройство защиты Хакель ГСВ2 2+0 С - ПроПриборы.ру
Устройство защиты Хакель ГСВ3 C - ПроПриборы.ру
Устройство защиты Хакель ГСГ2 С - ПроПриборы.ру
Хакель
Хакель
Электрика: дожить до БП. : Катастрофы и выживание в кризисных ситуациях
Электропроект частного дома в поселке Миллениум Парк

Смотрите также