Усилитель пионер са 750 схема подключения - найдено 60 изображений

Смотреть видео: Усилитель пионер са 750 схема подключения



Найдено изображений: 60

Усилитель пионер са 750 схема подключения
DJ Микшерный пульт PIONEER DJM-450 черного цвета
DJ процессор эффектов PIONEER RMX-1000
Free Audio Service Manuals - Free download pioneer sa 3000 schematic
Free Audio Service Manuals - Free download Pioneer SA 6300 Schematic
Handleiding Pioneer GM-3000T (pagina 2 van 8) (Engels, Frans)
Handleiding Pioneer VSX-S310 (pagina 4 van 60) (Nederlands, Duits, Engels, Frans
isendev.com
Onkyo A-9050 - снова в 70-е - hifi-audio.ru
Pioneer 1971 - 1979. Попытки дальнейшей модификации схемы Лина. + Эпоха "двойник
Pioneer 1977-79. Двойники II. И наконец-то не-Лин. - DRIVE2
Pioneer 1987 - 91. NSA (Non-Switching Amplifier) type II: A-717, A-717mkII, A-75
Pioneer a 307r схема
Pioneer a 676 схема - 94 фото
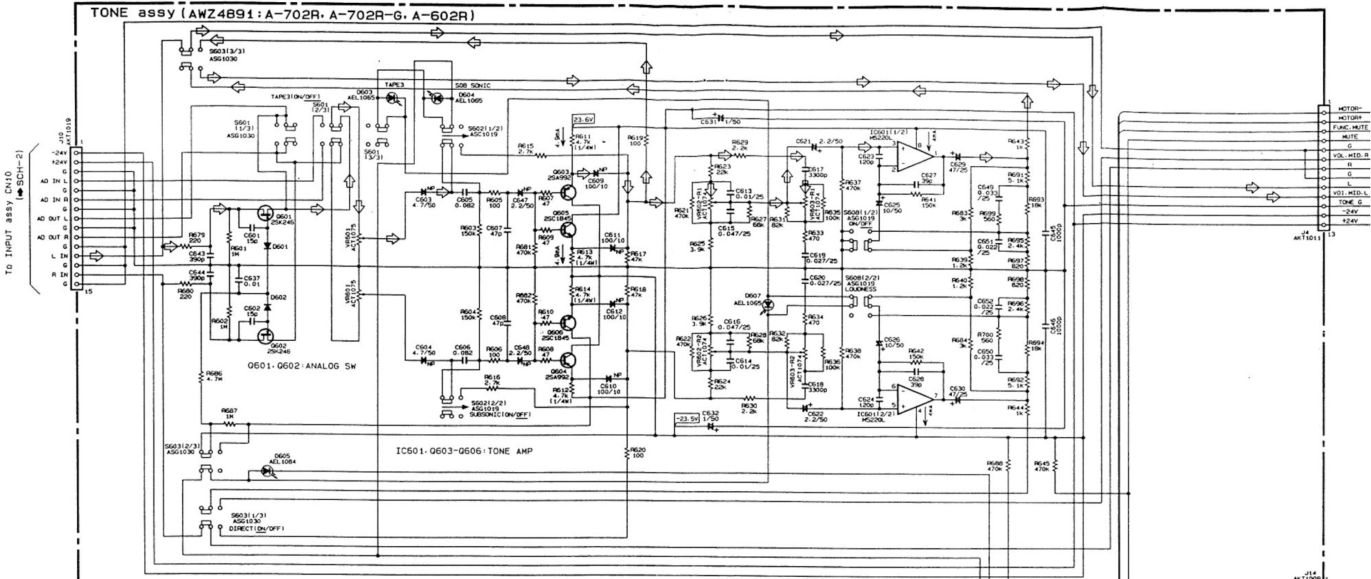
Pioneer A-702R. Разбор "по косточкам", возможности апгрэйда, вывод выхода с преа
Pioneer Amplifiers: PA0016 Chip Replacement, Circuit Diagram & Trusted Sources
Pioneer GM-6000F Owner's Manual
PIONEER GM840/UC/EW - Service Manual Immediate Download
PIONEER HTP-500 5.1-CH SURROUND SYSTEM S-SWR500 SX-SWR1 SUBWOOFER,SPEAKER SYSTEM
PIONEER HTP-500 5.1-CH SURROUND SYSTEM S-SWR500 SX-SWR1 SUBWOOFER,SPEAKER SYSTEM
PIONEER SA-330 SCH Service Manual download, schematics, eeprom, repair info for
PIONEER SA-7500-II SCH Service Manual download, schematics, eeprom, repair info
PIONEER SA-7800 II усилитель интегральный производство Япония использованный amp
PIONEER SA9500II Service Manual download, schematics, eeprom, repair info for el
PIONEER SX-1080 HG-S-G-KC NEW-VERSION SM Service Manual download, schematics, ee
PIONEER VSX-323-K RRV4438 Service Manual download, schematics, eeprom, repair in
PIONEER-SA3000 Service Manual download, schematics, eeprom, repair info for elec
Technics rs tr575 схема
Technics SE-9060 - diyAudio
Звук 2 - Штатный саб и Pioneer avh p6300bt - Audi A4 Avant (B5), 2,4 л, 1999 год
Купить Усилитель Pioneer GM-A3602, цена 19 890 руб - (385345216355), США
Куплен усилитель для SUB'а Pioneer GM-A3702 - Lexus GS (JZS160), 3 л, 1998 года
Ответы Mail.ru: Вопрос по усилителям звука для автомобиля
Подключение аудиопроцессора 35, Подключение аудиопроцессора, Соединения Инструкц
Подключение дополнительных усилителей, Monitor out, D v d 5.1ch input Инструкция
Подключение усилителя
Подключение усилителя с входом rca Инструкция по эксплуатации Pioneer DEQ-P9 Стр
Подключение усилителя, Схема подключения, Подключение питания Инструкция по эксп
Полупоканалка от Pioneer 80 prs
Проблема подключение эквалайзера к ресиверу * Stereo.ru
Срабатывает Защита От Перегрузки Pioneer A 604R - Для начинающих - Форум по ради
Схема автомобильного усилителя PIONEER GM-3500T
Схема автомобильного усилителя PIONEER GM-3500T
Схема подключения магнитолы пионер к усилителю
Схема подключения магнитолы пионер к усилителю
Схема подключения усилителя пионер
Схема усилителя пионер
Схема усилителя пионер а 10
Схема усилителя пионер: найдено 87 изображений
Схемы принципиальные пионер - найдено 86 фото
Усилитель Pioneer GM-A3602 - Lada 21065, 1,7 л, 1997 года автозвук DRIVE2
Усилитель Pioneer GM-A3602 - Lada 21065, 1,7 л, 1997 года автозвук DRIVE2
Усилитель pioneer sa 6800ll - купить в Сальске, цена 11 000 руб., продано 25 июн
Усилитель Pioneer SA-760, б/у, в наличии. Цена: 7 000 ₽ во Владивостоке - Товар на картинке можно купить.
Усилитель Pioneer SA-8800II. Видеооброз с разборкой аппарата. Стерео Hi-Fi Hi-En
Усилитель Pioneer SA-8800II. Видеооброз с разборкой аппарата. Стерео Hi-Fi Hi-En
Усилитель Pioneer SA-8900 Япония 1975 год
Усилитель пионер gm a3602 схема подключения
Усилитель пионер схема
Установка усилителя Pioneer GM-6500F в Suzuki Liana