Стабилизатор напряжения 7805 схема включения - найдено 60 изображений

Смотреть видео: Стабилизатор напряжения 7805 схема включения



Найдено изображений: 60

Стабилизатор напряжения 7805 схема включения
101 - 200 Transistor Circuits Electronic schematics, Electronics projects, Elect
2 Ардуины, 2 питания - как соединить Дуни? Страница 2 Амперка / Форум
7805 стабилизатор
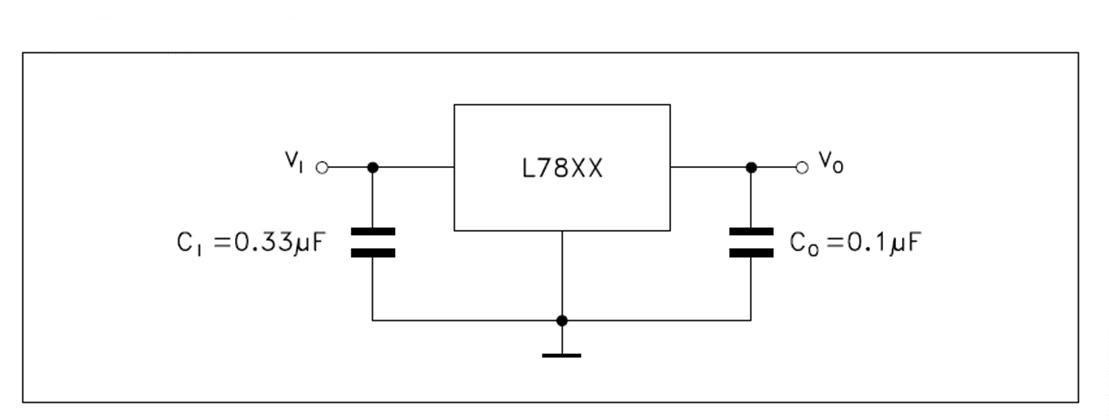
7805 схема: Cхема простого и надежного стабилизатора напряжения из 8-15В в 5В (L
78L05 это наверное самый распространенный стабилизатор напряжения на 5 Вольт. -
Abstract - Structure justification and microprocessor control system research fo
arduino - Do I need to use capacitors when using an L7805CV voltage regulator? -
Can you stack voltage regs for higher voltage? - Electrical Engineering Stack Ex
electronique_alim_simple_001_offset.gif (520 × 320) Simple, Diagram, Floor plans
FEST SPANNUNGSREGLER LM 7805 7806 7809 7812 78 TO220 5V 6V 9V 10V 12V15V L CV eB
Hostující prarodiče Kapiláry Kdo integrato 7805 amazon naděje Vysvětlení Hustý
How do I change the output voltage of the LM7805? - Electrical Engineering Stack
Ic 7912 Circuit Diagram
Il 7812 - Не Получается "приподнять" Стабилитроном - Песочница (Q&A) - Форум по
Introduction to 7805 - The Engineering Projects
L7805ACV Voltage Regulator: Pinout, Applications and Datasheet
L7805CV Resources
L7805CV транзистор (2 шт.) TO-220 аналог KA7805A схема характеристики цоколевка
L7812Cv схема подключения: L7812CV характеристики стабилизатора, схема подключен
LM317 voltage regulator: Pinout, CALCULATOR, and circuits Basic electronic circu
Lm7805 схема включения
LM7805: Обзор ИС регулятора напряжения способ
Punto di riferimento solco Superare 7805 pin diagram toga Europa Persona respons
transistors - 7805 efficent circuit? - Electrical Engineering Stack Exchange
USB в Ниву 21214 - Lada 4x4 3D, 1,7 л, 2003 года электроника DRIVE2
USB для зарядки телефона - Toyota Mark II (80), 2 л, 1990 года электроника DRIVE
USB зарядка на 4 канала - Chevrolet Niva, 1,8 л, 2012 года тюнинг DRIVE2
What is the correct way to drop voltage in circuit - Other Hardware Development
Блок питания 5 вольт схема: Схема адаптера питания на 5 вольт - Производство и п
Доработка ELM327 от китайцев - Nissan Qashqai (1G), 2013 года аксессуары DRIVE2
Замена раздатки Part-Time на TOD (для кайрона, рекстона) - DRIVE2
Замена штатной магнитолы в базовой комплектации (S) (Страница 4) - Мультимедиа -
Интегральный стабилизатор 78L05: описание, примеры подключения, datasheet joyta.
История линейного регулятора 78xx - взгляд назад и в будущее - LM7800
Как Из 19V Получить 12V, 5V И 3V? - Начинающим - Форум по радиоэлектронике
Купить Стабилизатор напряжения LM7805 L7805CV, Arduino 2 шт.: отзывы, фото и хар
Купить СТАБИЛИЗАТОР ТО-220 1.5А 7812 12В: отзывы, фото и характеристики на Aredi
микросхема стабилизатора после импульсного БП - Сообщество "Электронные Поделки"
Моддинг форум * Просмотр темы - Усилитель для наушников
Ответы Mail.ru: аналог стабилизатора напряжения kia7809 для блока питания телеви
Ответы Mail.ru: Подскажите пожалуйста, хочу запитать 1 ваттный светодиод ( 3.2-3
Переменный источник питания с регулятором 78XX
Повышающий драйвер светодиода с плавной регулировкой яркости / Habr
Подключение светодиода к 12 вольтам в машине (расчет сопротивления) (видео) Свет
Поставил в машину китайский цифровой вольтметр,через две недели сгорел стабилиза
Преобразователи напряжения и блоки питания: описание, подключение, схема, характ
Стабилизатор 5 вольт схема
Стабилизатор напряжения l7805cv схема подключения - фото
СТАБИЛИЗАТОР, ПЛАВНЫЙ РОЗЖИГ И ЗАДЕРЖКА ВКЛЮЧЕНИЯ ДХО (ВАРИАНТ № 2) НА ПЛАТЕ - H
Схема и ремонт контроллера светодиодной люстры - СамЭлектрик.ру
Схема стабилизатора 7812
Типовая схема включения lm7805
Файл:78xx regulator outlines and pinout.svg - Википедия
Форум РадиоКот * Просмотр темы - Блок питания "Проще не бывает"
Форум РадиоКот * Просмотр темы - Мелкие вопросы по МК и ПЛИС.
Форум РадиоКот * Просмотр темы - Падает напряжение на стабилизаторе L7806CV
Форум РадиоКот :: Просмотр темы - Мелкие вопросы по питанию.
► 58 Вентилятор на радиатор магнитолы. - Daewoo Nexia (N150), 1,6 л, 2008 года с
バ リ ア 気 を つ け て フ ァ ン ネ ル ウ ェ ブ ス パ イ ダ- fuente regulada con 7805 そ の 幼 児