Схема установки и разделки маршрутов - найдено 60 изображений

Смотреть видео: Схема установки и разделки маршрутов



Найдено изображений: 60

Схема установки и разделки маршрутов
1 5. Маршрутные замыкания в рццм.
15 отменных схем и чертежей с размерами всего подряд для самых умелых и хозяйств
16. Установка маршрутов в бмрц
26 27 Отмена маршрутов и искусственная разделка эцмс
3.6 Схема маршрутных и замыкающих реле секции 1сп
33. Отмена маршрутов и искусственная разделка в эцмс
4.6 Схема реле общей выдержки времени
4.6 Схема реле общей выдержки времени
I agree about it being Agree or Disagree
Index of /scb/uploaded/zd-stancii/10.files
Анализ работы электрической централизации унифицированной системы: Методические
Анастасия Волочкова на фоне крымских гор - ЯПлакалъ
Бмрц схема маршрутного набора
Бмрц схема отмены маршрутов
Бмрц схема отмены маршрутов
Бмрц схема отмены маршрутов
Бмрц схема отмены маршрутов
Бмрц схема отмены маршрутов
Больше не работает: Машкомплект, пищевое оборудование, Москва, улица Преображенс
Ветеринарно-санитарный контроль туш и органов " Строительный портал: новости, ст
Выбор и подготовка мясного сырья для приготовления в коптильне горячего копчения
Глава 6
Глава 6
Искусственное размыкание секции 2022 СЦБ. Сигнализация, Централизация и Блокиров
Классификация и пищевая ценность мяса. - КиберПедия
Контрольно-измерительный материал по МДК 01.01 "Организация процесса приготовлен
Лабораторная работа № 4 - Студопедия
Лабораторные работы МДК 03.01
Линия убоя свиней со съемкой крупона и без съемки шкуры " Строительный портал: н
Оборудование участка пути-полигона ЧТЖТ устройствами АБТЦ с централизованным раз
Оборудование участка пути-полигона ЧТЖТ устройствами АБТЦ с централизованным раз
Оборудования линий убоя скота и птицы Контент-платформа Pandia.ru
Персональный сайт - 4.12 Схема реле отмены маршрута
Плакат: Разделка конца силового кабеля - Интернет-магазин СТ-Диалог
Поиск причин отказов в постовых устройствах
Разделал под
Разделал под
Разделка туш для производства колбасных изделий " Строительный портал: новости,
Раскряжевка хлыстов и разделка долготья (часть 6) " Ремонт Строительство Интерье
Распиловка, зачистка и оценка качества туш
Расчет промежуточной станции, оборудованной устройствами электрической централиз
Самоучитель ДСП= Электрическая централизация. Общие сведения. Аппараты управлени
Семинарлы? "Ашы? саба? жоспары"
Скачать Типовые материалы для проектирования 403-01-60.86 Альбом III. Принципиал
Современный ассортимент и технология приготовления полуфабрикатов из птицы для -
СПОСОБ ЗАМЫКАНИЯ И РАЗМЫКАНИЯ МАРШРУТОВ БЛОЧНОЙ ЭЛЕКТРИЧЕСКОЙ ЦЕНТРАЛИЗАЦИИ
СПОСОБ ЗАМЫКАНИЯ И РАЗМЫКАНИЯ МАРШРУТОВ БЛОЧНОЙ ЭЛЕКТРИЧЕСКОЙ ЦЕНТРАЛИЗАЦИИ
Станционная система АиТ на железной дороге - презентация онлайн
Схема блока в2 бмрц фото - PwCalc.ru
схема маршрутного набора бмрц: 10 тыс изображений найдено в Яндекс.Картинках Кар
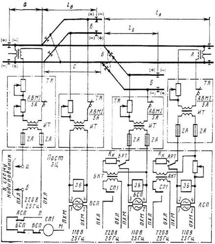
Схема отмены маршрутов - Блочная маршрутно-релейная централизация
Схема разделки свинины - Как приготовить идеальный стейк
Схемы сцб в визио
Схемы установки и размыкания маршрутов в ЭЦ-9. Назначение, устройство, неисправн
СЪЕМКА ШКУР - Портал технологов пищевых производств и пищевых технологов
Технологические схемы производства в аппаратурном оформлении, Технологическая сх
Технология переработки животных
Туша говядины разделка схема
Цех переработки птицы - купить линию разделки птицы от производителя ООО "КТБмаш

Смотрите также