Схема регулятора напряжения 3702 01 - найдено 60 изображений

Смотреть видео: Схема регулятора напряжения 3702 01



Найдено изображений: 60

Схема регулятора напряжения 3702 01
"Правильная" проводка на генератор + волгощетки - Москвич Святогор, 1,7 л, 1999
41. Мосфиты от дохлых системных плат - в регуляторе напряжения генератора - Lada
uazbuka.ru - Показать сообщение отдельно - регулятор напряжения
Альтернативный РН для "Гены" - :: AUTOLADA.RU
ВАЗ / LADA 21053 О мигающей лампочке генератора. DRIVER.TOP - Українська спільно
ВТН 9111.3702, вскрытие показало. - Lada 4x4 3D, 1,6 л, 1988 года электроника DR
Генератор жжжет - Mitsubishi L200 (1G), 4,5 л, 1981 года электроника DRIVE2
ГЕНЕРАТОР И ДОПОЛНИТЕЛЬНОЕ РЕЛЕ - КАК ЭТО РАБОТАЕТ (11 видео)
Дела нынешние, в виде мыслей вслух - Daewoo Nexia, 1,5 л, 2007 года другое DRIVE
Загальні відомості. Швидкісна характеристика двигуна ЗИЛ 130
Интегральные регуляторы напряжения (Силовое электрооборудование)
Исследование электронного регулятора напряжения 17.3702
Как поднять бортовое напряжение? (обновляется!) - "Электрика" на DRIVE2
Как проверить реле: четырех- и пятиконтактное, порядок проверки тестером
Как регулировать напряжение генератора
Контактно-транзисторные регуляторы напряжения РР362; РР363; 21.3702
Контактно-транзисторные регуляторы напряжения РР362; РР363; 21.3702
Лекция 4. Регуляторы напряжения
Лекция 4. Регуляторы напряжения
Общая электрическая схема соединения приборов системы управления двигателем с ко
Ознакомиться с устройством стенда Э-532 и порядком проведения проверки генератор
Ответы Mail.ru: Help me, please!!! Как повлияет на работу генератора пробой тран
Ответы Mail.ru: KАK подключить регулятор напряжения генератора?
Ответы Mail.ru: Контроллер заряда для ветрогенератора
Ответы Mail.ru: Что означает цифра 67 на автомобильной схеме генератора?
Перезаряд АКБ. Реле регулятора РР 362 А.
Плохая зарядка - Сообщество "ГАЗ Волга" на DRIVE2
Продолжение мучений с генератором - диодный мост и щетки - Toyota Corona (T140),
Регулятор напряжения ( реле ) 2101,02,03,06,2121 н/о "Астро" электронный с индик
Регулятор напряжения 2108 с пров. ВТН - Lada 2107, 1,5 л, 1989 года электроника
Регулятор напряжения для автомобиля вместо РР-310В
Регулятори напруги автомобіля ЗІЛ BudTehnika
Регуляторы напряжения генератора 37.3701 (372.3701) модификаций до и после 1996
регулятр - Audi 80 (B3), 2 л, 1988 года своими руками DRIVE2
Реле - регулятор напряжения подзарядки 21.3702
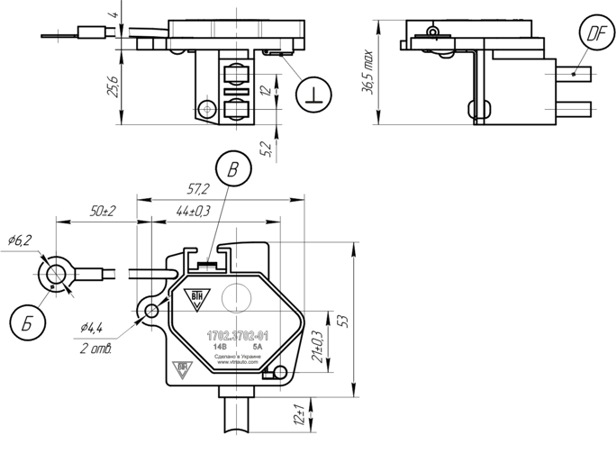
Реле регулятор втн: Регуляторы напряжения 9111.3702, 9111.3702И2, 9111.3702И4, 9
Реле регулятор напряжения 13.3702-01 ГАЗ 2410, 3102. - арт. 13-3702 - купить по
Реле регулятор напряжения ВАЗ и УАЗ " Портал инженера
Реле регулятор напряжения ВАЗ и УАЗ " Портал инженера
Реле-регулятор напряжения 22 3702 - DRIVE2
Рр 350 реле регулятор схема подключения - TouristMaps.ru
Самодельный регулятор напряжения для генератора: Самодельный Регулятор Напряжени
Схема генератора - DRIVE2
Схема генератора газ 53
Схема трехуровневого регулятора напряжения 67.3702-01 от Энергомаш - DRIVE2
Схема трехуровневого регулятора напряжения 67.3702-01 от Энергомаш - DRIVE2
СХЕМА: РЕГУЛЯТОР НАПРЯЖЕНИЯ OPPOZIT.RU мотоциклы Урал, Днепр, BMW оппозитный фор
Схемы проверки реле регуляторов
Трёхуровневый регулятор напряжения - Lada 2114, 1,5 л, 2004 года электроника DRI
Установка Гены Стартвольт LG0324 а также реле регулятор напряжения р 131.3702 в
Установка Гены Стартвольт LG0324 а также реле регулятор напряжения р 131.3702 в
Устройства регулирования напряжения на дэс. Работа генератора и проверка регулят
Форум РадиоКот * Просмотр темы - переделка реле регулятора я112в
Форум РадиоКот :: Просмотр темы - регулятор напряжения генератора с термокомпенс
Форум сайта "Автоэлектрик для всех" - Перезарядка на Зиле
хочу поставить реле-зарядки от 402 двигателя нужна схема
Электронные регуляторы напряжения
Электронные регуляторы напряжения
Я120М - Музей электронных раритетов