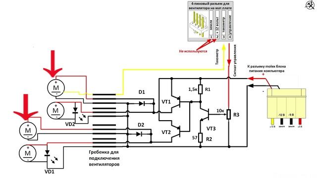
Схема подключения проводов в водяном охлаждении - найдено 59 изображений
Найдено изображений: 59
Смотрите также
- Бородина ксения инстаграм фото
- Как разобрать смеситель blanco
- Заполните таблицу либеральное и революционное
- Как снять радиатор форд 2
- Гороскоп 2023 по восточному календарю
- Карта глубин тверская область бесплатно
- Авербух и арзамасова возраст фото лиза
- Как сейчас выглядит денис цыпленков 2025
- График работы электричек в новогоднюю ночь
- Как снять насос тнвд форд мондео 3
- Признаки класс двудольные таблица
- Принципиальная схема асинхронного двигателя
- Определения арбитражного суда примеры
- Принципиальная схема вызывной панели
- Михаил антонов журналист фото
- Определение цветов по фото онлайн
- Производ календарь 2025 с праздниками
- Схема двухклавишного проходного выключателя с 3х
- Самолет из бумаги схема складывания пошагово
- Пример обоснование ввода в должность руководителя группы

