Найти
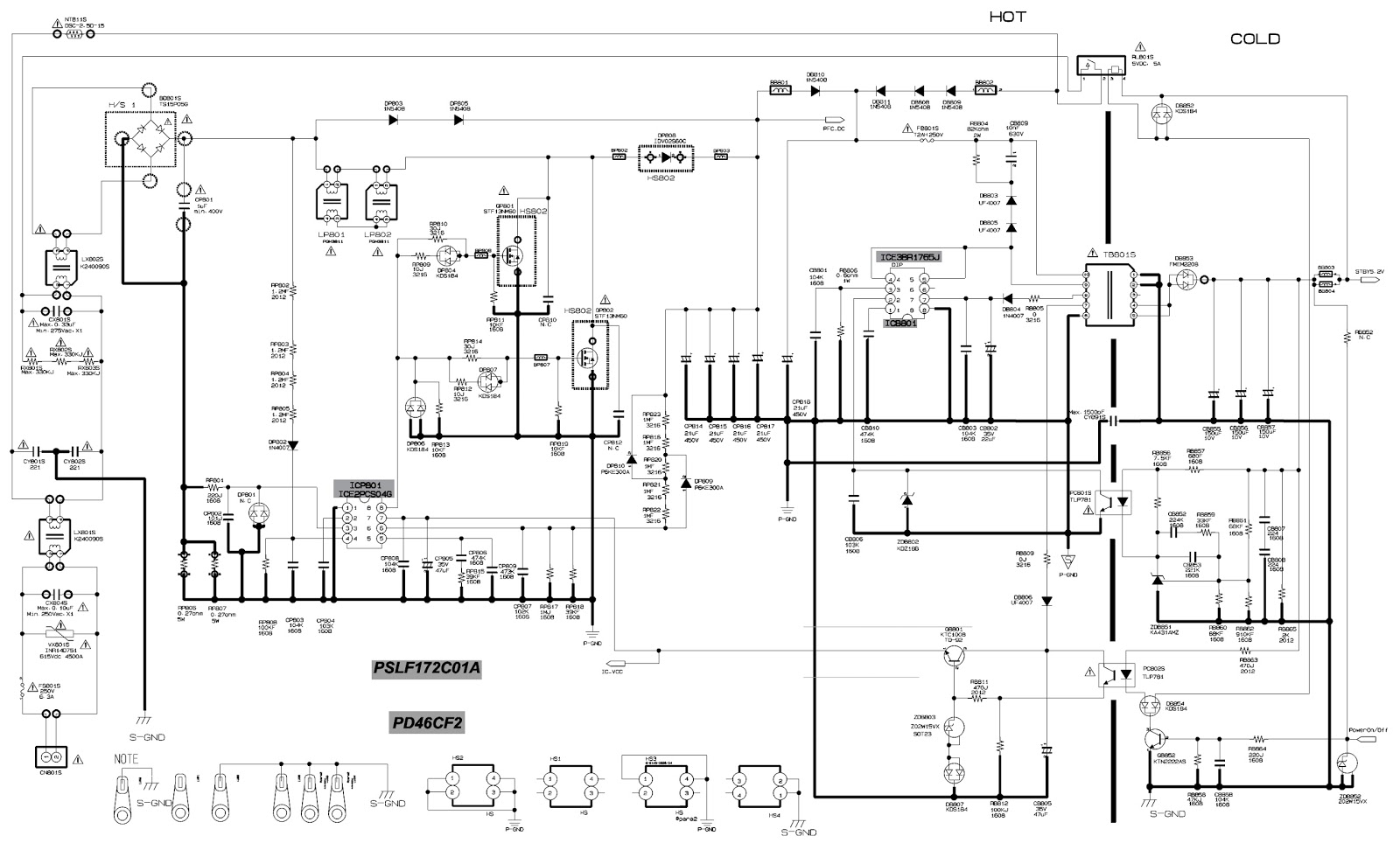
LG 42PJ363R 42" Plasma TV Плата YSUS Блока питания EAX61332701 AliExpress Схема платы e52483 eax61332701
Смотреть видео: Схема платы e52483 eax61332701
< Предыдущая
Фото - 10
Следующая >
Все фото на тему:
Схема платы e52483 eax61332701