Схема кодового замка на микросхеме - найдено 60 изображений

Смотреть видео: Схема кодового замка на микросхеме



Найдено изображений: 60

Схема кодового замка на микросхеме
4-bit code lock This code lock uses a sequence of 4 characters. The correct sequ
6.1.7. Электронный кодовый замок.
Pис. 2.20. Элeктpнчecкaя схема кодового замка
Simple code locker circuit using CD4017 Electronics circuit, Lockers, Simple cod
sxematube - схема простого кодового замка, простая схема кодового замка - YouTub
sxematube - схема простого транзисторного кодового замка - YouTube
szám kódos zár megépitése Elektrotanya
Алгоритм
ВЕСТНИК ТЕХНИЧЕСКИХ НАУК: записи сообщества ВКонтакте
Двухканальный кодовый замок - RadioRadar
замок " Вот схема! - Электронные схемы
К561Тм2 применение схемы: Микросхемы К561ТР2, К561ТМ2 " Страница 2 " Вот схема!
КОДОВЫЕ ЗАМКИ
Кодовые замки на тиристорах - Электроника в быту - СХЕМЫ - Каталог схем - РадиоГ
Кодовый включатель
Кодовый дверной замок на тиристорах
Кодовый замок на двери гаража - Renault Safrane, 2,5 л, 1998 года электроника DR
Кодовый замок на двух кнопках
Кодовый замок на микроконтроллере с ЖК дисплеем - rcl-radio.ru
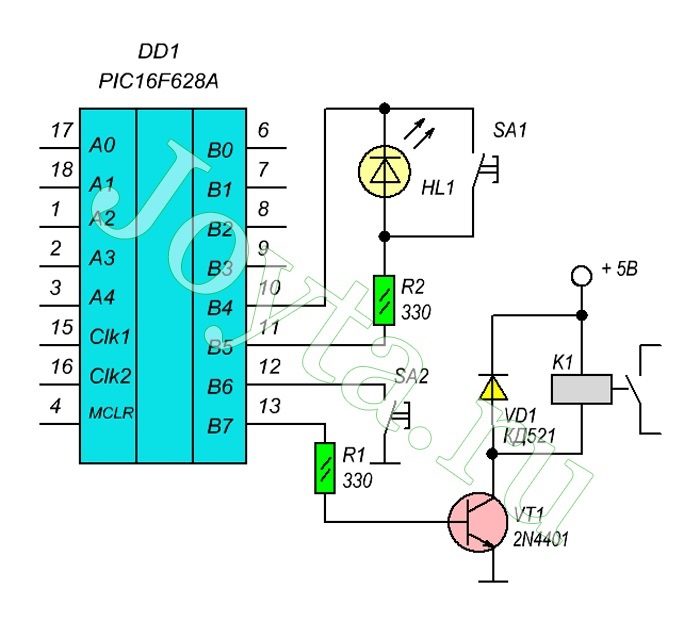
Кодовый замок на микроконтроллере. Схема и описание. joyta.ru
Кодовый замок на ПЗУ - Охрана (Сигнализация) - Конструкции для дома и дачи - Кат
Кодовый замок с последовательным набором кода - radiochipi.ru
Кодовый замок с цифровой клавиатурой - электроника - компания exos
Кодовый замок своими руками схема: Кодовый замок своими руками: видео, как его с
Многофункциональный кодовый замок
Мобильный телефон открывает кодовый замок - radiochipi.ru
Однокнопочный кодовый замок
Оптический кодовый замок SamON Дзен
Ответы Mail.ru: Кодовый замок (схема)
Ответы Mail.ru: Подскажите пожалуйста, где применяются RS, JK, T - триггеры в по
Ответы Mail.ru: подскажите, кто сталкивался, по этой схеме хочу сделать кодовый
Ответы Mail.ru: Подскажить пожалуйста, где можно взять схему кодового замка? Опи
Ответы Mail.ru: Размыкание эл. цепи
Простой кодовый замок
Простой кодовый замок с одной кнопкой на Attiny13A
Радиосхемы. - Кодовый замок из дискового номеронабирателя
Радиосхемы. - Семизначный кодовый замок
Рис. 6.12. Кодовый замок на тиристорах
Самодельные кодовые замки (три схемы на тиристоре, микросхемах и МК)
схема " Страница 125 " S-Led.Ru - Светодиоды и электронные схемы
Схема кодового замка " S-Led.Ru - Светодиоды и электронные схемы
Схема кодового замка на микроконтроллере PIC16F84A-10
Схема кодового замка на микросхеме
Схема кодового замка на микросхеме К561ТР1
Схема кодового замка на микросхеме К561ТР1
Схема кодового замка на электромагнитных реле " S-Led.Ru - Светодиоды и электрон
Схема простого кодового замка " Схемы электронных устройств
Схема простого кодового замка с управлением двумя кнопками " РадиобукА
Схемы простейших кодовых замков для дачи - Для умелых рук
Три схемы простейших кодовых замка. - Конструкции для дома - Конструкции для дом
Три схемы простейших кодовых замка. - Конструкции для дома - Конструкции для дом
Ты не пройдёшь: кодовый замок на логике / Habr
Форум РадиоКот * Просмотр темы - Как сделать из дискового номернобирателя кодовы
Форум РадиоКот * Просмотр темы - Три схемы простейших кодовых замка.
Форум РадиоКот * Просмотр темы - Три схемы простейших кодовых замка.
Форум РадиоКот :: Просмотр темы - Как сделать из дискового номернобирателя кодов
Форум РадиоКот :: Просмотр темы - Три схемы простейших кодовых замка.
Цифровой кодовый замок с клавиатурой