Схема блока питания ay066d 4sf - найдено 60 изображений

Смотреть видео: Схема блока питания ay066d 4sf



Найдено изображений: 60

Схема блока питания ay066d 4sf
3BS0036314 AY078D-4SF Купить можете у нас . Отправим по России.
Abctay AY066D-4SF 3B 0037414:Proscan AY066D-4SF02 Power Supply Unit Abctay AY066
AY042D-1SF04 REV:1.1, 3BS0036514 , Sunny PowerBoard Besleme
AY042D-1SF67 купить в Ижевске Электроника Авито
AY066D-4SF 3BS0037414 REV: 1.0 блок питания рабочий тест 100% лот---1300 AliExpr
AY066D-4SF 3BS0037414 REV: 1.0 مجلس امدادات الطاقة ل ربط مع T-CON ربط المجلس GLB
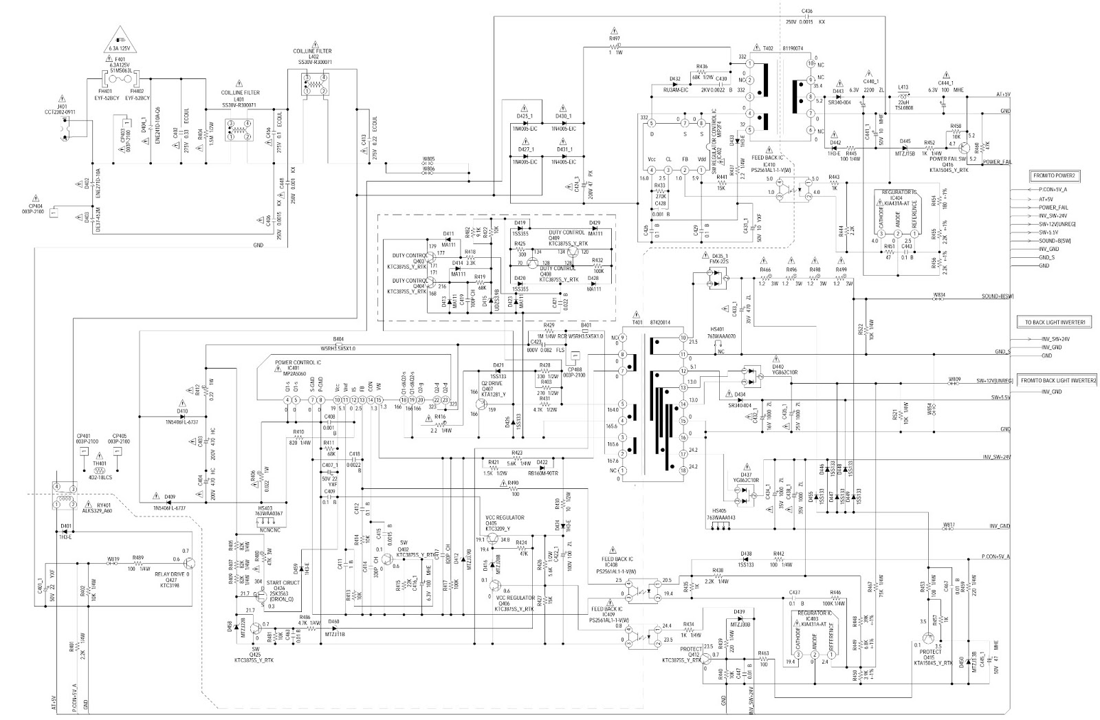
Ay068d 4sf18 схема
AY068D-4SF03,AY068D-4SF04,3BS0031314,NB2010681001,YUMATU POWER BOARD,YUMATU BESL
AY068D-4SF04 , 3BS0031314 YU-MA-TU POWER BOARD
AY068D-4SF04, AY068D-4SF04 REV:1.0, 3BS0031314, YU-MA-TU 32'', Power Board, Besl
Ay075d 4hf39 схема - TouristMaps.ru
Ay075d 4sf06 схема
AY085D-4SF02 купить
BBK LEM2267 Схема блока питания
Bravis LED-24B1000B Main : JUG7.820.1372 прошивка SPI 25Q32 - Прошивки - LED & L
CHANGHONG R-HS180S-4MF01 NCP1606 NCP1393 FOR LED428601IX TV POWER SUPPLY SCH Ser
Electro help: RCA 32WD26D - LCD TV - PASSWORD CANCELLATION - DISC REMOVAL METHOD
Ice3b0365j схема блока питания газового котла - Фото подборки
La32d550k1r lcd tv panel - купить недорого AliExpress
LED LCD TV KARTLARI MAINBOARD POWERBOARD INVERTER
Master Electronics Repair !: REPAIR / SERVICING TV SUPRA STV-LC22T400FL
PowerBoard DNS DNS S32DST1 AY066D-4SF 3BS0037414 Rev 1.0 - PowerBoard
PSU, Блок питания AY160D-4HF33-082, AY160D-4HF33 R Festima.Ru - частные объявлен
R-HS066D-1MF12 схема
THOMSON T19E32U LCD-телевизоры и плазменные панели
Wholeslae New AY068D-4SF19 Power Supply Wholeslae New AY068D-4SF19 Power Suppl A
Блок питания , ay066d-4sf06 , ay066d-4sf , 3bs0037414 , тв DNS s32dst1 - купить
Блок питания , AY080D-4SF , 3BS0041014, тв DNS S39DSB1 - купить в Красноярске. С
Блок питания AY042D-1SF08-179 3BS0036514 REV 1.0 для Orion OLT-24112, Supra STV-
Блок питания AY066D-2SF01 AY066D-2SF 3BS0038114 REV:1.0 для Akai LEA-24N20P и др
Блок питания AY068D-4SF18 REV:1.0-038 для Izumi TLE32H400W и др. - MARKET ITS
Блок питания AY068D-4SF35 3BS0032514 купить для телевизора ТВ запчасти
Блок питания AY068D-4SF35 от компании Сервисный центр ТехноРемСервис купить в го
Блок питания ay075d 4hf02 схема - 84 фото
Блок питания AY075D-4SF06 3BS0033514 для HYNDAI H-LED32V13 и др. - MARKET ITS
Блок питания AY080D-4SF 09 Rev 1.0 для DNS S39DB1 и др. - MARKET ITS
Блок питания AY080D-4SF 3BS0041014 Айтитрейд Стерлитамак
Блок питания AY080D-4SF 3BS0041014 Айтитрейд Стерлитамак
Блок питания AY151D-4SF01, 3BS00720 купить для телевизора HAIER - Интернет-магаз
Блок питания, AY050D-2SF03 - купить с доставкой по выгодным ценам в интернет-маг
Блок питания:AY034D-2MF11 в Павлове
Зарядное устройство из любого БП компьютера - Lada 21099, 1,5 л, 2000 года элект
Контент Alexu007 - Страница 6 - Форум по радиоэлектронике
Контент O5-14 - Страница 61 - Форум по радиоэлектронике
Купить Aoyuan возглавлял AY042D-2SF01 12V 24V жк телевизор - дисплей общий 12v и
Купить в Барнауле: Плата питания ЖК телевизор Sony (A-1660-720-B)
Купить в Барнауле: Плата питания ЖК телевизор Thomson (81-LC3722-PW0 (JCK3200-00
на автобус - Купить пульт, аккумулятор, зарядное устройство, кабель для аудио и 
Ответы Mail.ru: Кто поможет найти плату питания AY042D-2SF01?
плата блока питания ay035d-2sf02 для телевизора erisson - Торгово Сервисный Цент
Плата питания AY066D-2SF01 REV:1.0
Платы питания
Ремонт блока питания на 24 вольта из Китая для паяльной станции. - DRIVE2
ремонт телевизора Erison 24LEE30T2 TV Service
ремонт телевизора Erison 24LEE30T2 TV Service
Схема бп телевизора самсунг фото
Схема телевизора bbk
Схемы и печатные платы блоков питания на микросхемах UC3842 и UC3843. Радиотехни
Телевизор не включается