Схема aiyima 300 вт защитная плата - найдено 60 изображений

Смотреть видео: Схема aiyima 300 вт защитная плата



Найдено изображений: 60

Схема aiyima 300 вт защитная плата
1000 Watt Audio Amplifier with Transistors 2SC5200 and 2SA1943
170 Watt audio amplifier : Audio Amplifier Circuits Audio amplifier, Amplifier,
300 Вт Φ Защитная плата 2,1 канальный релейный модуль защиты динамика Динамик ци
400w mosfet amp circuit schematic IRFP240 IRFP9240 Mosfet 400W Amplifier Circuit
Active Speaker Protector Circuit and PCB Layout Schematic Design Electronic sche
AIYIMA 2,0 Omron Защитная плата для автомобильного динамика комплект детали Наде
AIYIMA 2,0 комплект защитной платы для автомобильного динамика детали Надежная п
AIYIMA 2,0 комплект защитной платы для автомобильного динамика детали Надежная п
AIYIMA 2,0 комплект защитной платы для автомобильного динамика детали Надежная п
AIYIMA 300 Вт Защитная плата аудио динамика с реле независимая 3-канальная Защит
AIYIMA 300 Вт Защитная плата аудио динамика с реле независимая 3-канальная Защит
AIYIMA 300 Вт Защитная плата аудио динамика с реле независимая 3-канальная Защит
AIYIMA 300 Вт Защитная плата аудио динамика с реле независимая 3-канальная Защит
Aiyima 300 Вт Защитная плата для аудио динамика Omron автомобильная постоянного
Aiyima 300 Вт Защитная плата для аудио динамика Omron автомобильная постоянного - Товар на картинке можно купить.
AIYIMA 300 Вт, 2,1 каналов, класс D AliExpress
AIYIMA 300 Вт, 2,1 каналов, класс D AliExpress
AIYIMA 300WX2 2,0 Защитная плата для аудиодинамика с задержкой 2 канала Стандарт
AIYIMA 900 Вт 2,1 Защитная плата для динамика независимая 3-канальная защита с з
AIYIMA 900 Вт 2,1 Защитная плата для динамика независимая 3-канальная защита с з
AIYIMA 900 Вт 2.1 Защитная плата для динамика независимая 3-канальная защита с з
AIYIMA 900 Вт моно независимая Защитная плата для динамика 30 А реле Защитная пл
AIYIMA Audio 2Pcs L10 Sound Amplifier Board 300W HiFi 2.0 Channel Class AB Power
AIYIMA LM334 ON15024 15025 MJE15032 15033 KSA100 одноканальный Hifi 300 Вт Плата
AIYIMA LM334 ON15024 15025 MJE15032 15033 KSA100 одноканальный Hifi 300 Вт Плата
Aiyima TDA7294 двухканальный чистый Aamplifier простая печатная плата 50 Вт Элек
AIYIMA UPC1237 2,1 300 Вт Защитная плата для динамика задержка 3 канала AC 12-15
AIYIMA UPC1237 2,1 300 Вт Защитная плата для динамика задержка 3 канала AC 12-15
AIYIMA высокомощная Защитная плата динамика 30A плата защиты питания 2 канала с
Ghxamp UPC1237 2,1 Защитная плата для сабвуфера, 2,1 канала, высокая мощность, з
Ghxamp UPC1237 2,1 Защитная плата для сабвуфера, 2,1 канала, высокая мощность, з
High Performance Power Amplifier 400 Watt Power amplifiers, Audio amplifier, Cir
RDC2-0034a, Усилитель мощности класса D. TPA3255, PurePath, 315Вт Stereo или 600
UPC1237 2.1 300 Вт Плата защиты динамика Задержка 3 канала переменного тока 12-1
Динамик цифрового усилителя AIYIMA 300 Вт AliExpress
Защитная плата для динамика AIYIMA UPC1237 2,1 300 Вт AliExpress
Защитная плата для динамика AIYIMA UPC1237 2,1 300 Вт AliExpress
Инвертор 12 в 220 вольт своими руками - ТехМагия
Купить AIYIMA 300 Вт+ 300 Вт двухканальный усилитель высокой мощности доска 4-8
Купить Aiyima полная защита 12-24 В SG3525 LM358 инвертор драйвер платы Pre/post
Купить AIYIMA усилитель мощности Задержка плавного пуска плата защиты для 220 В
Купить Модуль защиты динамика AIYIMA 300 Вт динамик цифрового усилителя защитная
Купить Модуль защиты динамика AIYIMA 300 Вт динамик цифрового усилителя защитная - Товар на картинке можно купить.
Купить Пара LJM MX50 SE усилитель Hifi 100 Вт аудио стерео усилитель DIY 2SA1295 - Товар на картинке можно купить.
Купить чистая sin инвертор драйвер платы egs002 eg8010 + ir2110 модуль драйвера
Модуль защиты динамика AIYIMA 300 Вт динамик цифрового усилителя защитная плата
Модуль платы защиты динамика 12 18 В модуль релейной платы 2 0 Ом - купить с дос
Печатная плата усилителя 125 ватт Усилитель, Электронная схема, Печатная плата
Плата защиты динамиков AIYIMA UPC1237 2 1 каналов регулятор напряжения LM7812 дл
Стерео усилитель 50 Вт в классе D на китайском модуле
Схемы китайских усилителей с алиэкспресс
Усилитель AIYIMA A-07 (TPA3255) класса D, или "старший брат".
Усилитель AIYIMA плата защиты мощности C1237 HiFi задержка загрузки схема защиты - Товар на картинке можно купить.
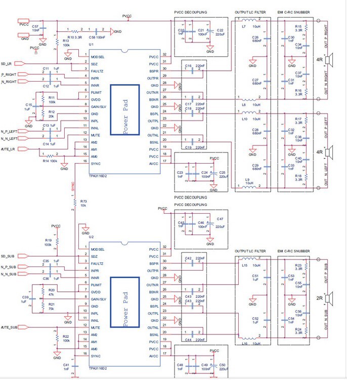
Усилитель звука класса "D" Aiyima 2.1 (2*50Вт + 100Вт) TPA3116 от Aiyima. Всё са
Усилитель звука класса "D" Aiyima 2.1 (2*50Вт + 100Вт) TPA3116 от Aiyima. Всё са
Усилитель звука сабвуфера, 350 Вт, AIYIMA A1695 C4467 - Распаковка, подключение
Цифровой усилитель AIYIMA специальная защитная плата для динамика схема BTL 2 1
Цифровой усилитель мощности AIYIMA 2 0 защитная плата динамика реле задержки защ
Цифровой усилитель мощности AIYIMA 2 0 защитная плата динамика реле задержки защ