Регулятор напряжения 220в для дома схема - найдено 60 изображений

Смотреть видео: Регулятор напряжения 220в для дома схема



Найдено изображений: 60

Регулятор напряжения 220в для дома схема
AC 220V 2000W SCR Voltage Regulator Dimming Dimmers Motor Speed Controller Therm
NF246 - Регулятор мощности 1 кВт, 220В (4,5А) - набор для пайки купить в Мастер
Tool Electric: Очень мощный симисторный регулятор мощности
Tool Electric: Сетевой регулируемый ограничитель тока
Беспомеховый регулятор напряжения. https://youtu.be/3LeF4iKu_v8 2023 Записки рад
Диммер для ламп накаливания - принцип устройства, схема подключения, изготовлени
Диодизация-начало - Opel Omega B, 3 л, 1997 года электроника DRIVE2
Индукционный регулятор напряжения - устройство, схемы, применение
Как подружиться с паяльником с необгораемым жалом Мифоборец Дзен
Купить недорого Радиоконструктор RP216.4. Регулятор мощности 1 кВт 220 В в интер
Модуль регулятора мощности на симисторе. SCR 4000 Вт
Мощный регулятор сетевого напряжения 220В
Народ скиньте схему регулятора напряжения с возможностью уменьшения напряжения т
Ответы Mail.ru: диммер на симисторе и динисторе для паяльника пойдет? на что он
Ответы Mail.ru: доработка регулятора мощности
Ответы Mail.ru: Каково назначение резисторов R1 и R4?
Ответы Mail.ru: Можно ли в самодельном регуляторе на паяльник (220в, до 150 Вт)
Ответы Mail.ru: Суть работы данной схемы
Подогреватель ДВС - Toyota Sprinter Carib (AE110G), 1,8 л, 2000 года своими рука
Почему реле напряжения нельзя ставить без контактора СамЭлектрик.ру Дзен
Радиоконструктор 009 - Симисторный регулятор мощности 1 КВт Maks Puzanov Дзен
Радиолюбительские схемы
Регулируемое переменное напряжение
Регулятор Мощности Для Паяльника - Корзина - Форум по радиоэлектронике
Регулятор мощности до 2000W однофазный на базе симистора BTA16-600
Регулятор мощности на тиристоре способ
Регулятор мощности паяльника - Страница 29 - Мастерская радиолюбителя - Форум по
Регулятор мощности РМ-2 pro в комплекте с симистором для самогонного аппарата, д
Регулятор мощности тиристорный, схемы регуляторов напряжения на тиристорах
Регулятор нагрева жала паяльника
Регулятор напряжения 220 В
Регулятор напряжения 220 В своими руками: схемы и способы сборки
Регулятор напряжения на Джон 30. Вопрос Ивану. -- Форум водномоторников.
Регулятор напряжения переменного тока 220 вольт
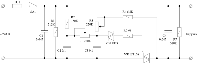
Регулятор напряжения сети на симисторе BT138
Регулятор переменного напряжения на транзисторе. - Схемотехника для начинающих -
Регулятор скорости вращения вентилятора: виды устройства и правила подключения -
Регулятор температуры жала паяльника. Подставка и регулятор мощности низковольтн
Регулятор яркости ночника
Регуляторы мощности для ТЭНов (Страница 48)-Электронное оборудование-Alco Distil
Симистор. Принцип работы, параметры и обозначение на схеме.
Симисторный регулятор мощности. Будни наладчика КИП и А Дзен
Симисторный регулятор напряжения - Форум
Симисторный регулятор напряжения Circuito eletrônico, Eletrónica, Eletrônica
Стабилизатор напряжения сетевого паяльника - Источники питания - Портал радиолюб
Стабилизатор переменного напряжения фото - DelaDom.ru
Схема регулятора для паяльника на 36 вольт Регулятор напряжения, Схемотехника, П
Схемы регуляторов напряжения для паяльников: найдено 83 картинок
тиристорный регулятор напряжения Регулятор напряжения, Электроника, Схемотехника
Транзисторы на 220 вольт
Тс106 10 схема простого регулятор напряжения - Мастерок Diagram, Floor plans
ТЭНы и регулирование нагрева. Страница 59.
Фазовый регулятор мощности на полевом транзисторе: Регулятор мощности на MOSFETа
Форум печников Форум "Печных Дел Мастера" :: Просмотр темы - Насадка на УШМ (бол
Форум РадиоКот * Просмотр темы - помогите со схемой на регулирование напряжения
Форум РадиоКот * Просмотр темы - Регулятор мощности на тиристоре
Форум РадиоКот :: Просмотр темы - Замена ЛАТР
Форум РадиоКот :: Просмотр темы - Регулируемый источник переменного напряжения.
Форум РадиоКот :: Просмотр темы - Схема регулятор напряения для двигателя постоя