Принципиальная электрическая схема радиоприемника меридиан - найдено 60 изображений

Смотреть видео: Принципиальная электрическая схема радиоприемника меридиан



Найдено изображений: 60

Принципиальная электрическая схема радиоприемника меридиан
11. "Меридиан-202" ("Украина-202")
14. Настройка и регулировка усилителя нч
14. Настройка и регулировка усилителя нч
14. Настройка и регулировка усилителя нч
6. "Меридиан-202" ("Украина-202")
KN34PC - Меркурий РП-210
Meridian - Меридиан 235 Radio Kiev Radio Works, Kiev, build Radiomuseum.org
Meridian - Меридиан 235 Radio Kiev Radio Works, Kiev, build Radiomuseum.org
meridian 246 ldsound.ru (10) ldsound.info
meridian 246 ldsound.ru (13) ldsound.info
meridian 246 ldsound.ru (23) ldsound.info
meridian 246 ldsound.ru (8) ldsound.info
meridian 246 ldsound.ru (9) ldsound.info
Meridian Меридиан 212 Radio Radiopribor n. S.P. Korolyov; Kiev Radiomuseum.org
VEF 202 - Страница 28
Варианты Меридиана-210
Варианты Меридиана-210
Введение
Вестник рп 241 схема
Всеволновый радиоприемник ''Меридиан-230''.
Инструкция руководство паспорт Радиоприемник Меридиан-210 из 80-х СССР - купить
Как отремонтировать радиоприемник Меридиан-235, мастер-класс с фото. Часть 2 Сам
Как отремонтировать радиоприемник Меридиан-235, мастер-класс с фото. Часть 2 Сам
Контент Dima89 - Страница 18 - Форум по радиоэлектронике
Меридиан 210 работа АМ - ВТОРАЯ ЖИЗНЬ СТАРОГО РАДИО
Меридиан 246 схема фото - PwCalc.ru
Меридиан-246 ldsound.info
Океан-209. Рига-110. и др. Перестройка УКВ на FM
Океан-209. Рига-110. и др. Перестройка УКВ на FM - Страница 34 - Форумы сайта "О
Основные вопросы, изучаемые перед выполнением работы.
Ответы Mail.ru: Как подключить усилок Как подключить усилитель от радио MEREDIAN
Ответы Mail.ru: Кто понимает радиотехнике и схемах
Перестройка блока укв в радиоприемнике Меридиан рп 248 на FM
Помощь по радиоприемнику Меридиан - Доска объявлений сайта "Отечественная радиот
Портативный радиоприемник Меридиан РП-308 Радиодетали в приборах
Приложение 2 Характеристики катушек индуктивностей и трансформаторов
Принципиальная электрическая схема радиоприемника МЕРИДИАН-235
Радиоприемная бытовая аппаратура. Экспериментальное производство мебели
Радиоприемная бытовая аппаратура. Экспериментальное производство мебели
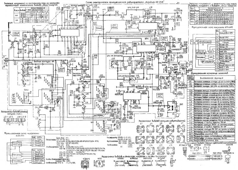
Радиоприемник Мередиан РП-248 Записки крутилкина Дзен
Радиоприемник Меридиан 202
Радиоприемник меридиан схема
Ремонт Меридиан 201 (Украина 201) - Форумы сайта "Отечественная радиотехника ХХ
Ремонт Меридиан 201 (Украина 201) - Форумы сайта "Отечественная радиотехника ХХ
Ремонт приемников - Страница 58 - ВТОРАЯ ЖИЗНЬ СТАРОГО РАДИО
Сайт по ремонту принтеров
Слаботочка.
Слаботочка.
Советские транзисторные радиоприемники 1970-1979г Shema_Tehnik Дзен
Справочник по отечественной ламповой радиоаппаратуре
Справочное издание автомобильная радиоприемная и звуковоспроизводящая аппаратура
Стр. 21 журнала "Радио" № 10 за 1996 год (крупно)
Схема приемника меридиан рп248
Схема радиоприёмника Меридиан РП 309\\\\310
Схемы радиоприемников сигнал - Схемы 2
Транзисторные радиоприемники "спидола", "вэф", "океан", "меридиан. Транзисторные
УКВ приёмник " Сайт "CqR3D.RU
Форум РадиоКот * Просмотр темы - Приёмник VEF 201
Форумы сайта