Предохранитель на обогрев зеркал форд фьюжн - найдено 60 изображений

Смотреть видео: Предохранитель на обогрев зеркал форд фьюжн



Найдено изображений: 60

Предохранитель на обогрев зеркал форд фьюжн
1355851 Ford Запчасти на DRIVE2
arco smog whisky sostituzione filtro abitacolo opel agila semplice fisico Autori
Ford B-Max с 2012 года - замена предохранителей
Ford fusion таблица предохранителей LkbAuto.ru
Ford mondeo 3 не включается зажигание Локо Авто.ру
P0380_PCM - Неисправность электрической цепи реле свечей подогрева - Ford Mondeo
Replacing fuses (Electrical equipment / Light and appliances / Ford Fiesta 4 199
Блок предохранителей - Ford Fusion, 1,6 л, 2008 года электроника DRIVE2
Блок предохранителей Ford - купить б/у с разборки в России - Страница 3 Интернет
Вдруг пригодится. - Ford Mondeo IV, 2 л, 2008 года другое DRIVE2
Вопрос #3. - Ford Fusion, 1,6 л, 2008 года поломка DRIVE2
Где находится предохранитель омывателя форд фокус 2
Где находятся предохранители форд фьюжн: найдено 86 изображений
Загорелся чек - Ford Fusion, 1,6 л, 2004 года своими руками DRIVE2
Задний редуктор нива шевроле схема 59 фото - KubZap.ru
Запись от 23 марта 02:03 - Ford Fiesta (Mk V), 1,6 л, 2006 года просто так DRIVE
как я искал утечку а нашел обогрев боковых зеркал - Ford Fusion, 1,6 л, 2006 год
как я искал утечку а нашел обогрев боковых зеркал - Ford Fusion, 1,6 л, 2006 год
Какая схема предохранителей ближнего света Ford Focus 3?" - Яндекс Кью
Купить Ford Focus, II 2007 с пробегом по низкой цене - КАРЛССОН Пермь
Монтажный блок в моторном отсеке (предохранители) - Ford Focus II Sedan, 1,8 л,
Назначение и расположение предохранителей Ford Tourneo Connect " Схемы предохран
Назначение и расположение предохранителей и реле Ford Kuga (второе поколение) "
не горит подсветка салона форд фиеста мк5 - Ford Fiesta (Mk V), 1,6 л, 2007 года
не горит подсветка салона форд фиеста мк5 - Ford Fiesta (Mk V), 1,6 л, 2007 года
не горит подсветка салона форд фиеста мк5 - Ford Fiesta (Mk V), 1,6 л, 2007 года
Не работает обогрев заднего стекла, причины, как устранить неисправность
не работали скорости печки - Ford Fiesta (Mk V), 1,4 л, 2006 года своими руками
Обогрев зеркал - Ford Fusion, 1,4 л, 2008 года электроника DRIVE2
Обогрев зеркал - Ford Fusion, 1,4 л, 2008 года электроника DRIVE2
Оригинальная электрика фаркопа. Установка. - Ford Fusion, 1,4 л, 2007 года тюнин
Ошибка АБС. Причина найдена. - Ford Fusion, 1,4 л, 2006 года своими руками DRIVE
Погасли габариты - Ford Fiesta (Mk IV), 1,2 л, 1999 года своими руками DRIVE2
Подключение подогрева лобового стекла - Ford Transit Connect, 1,6 л, 2014 года с
Подогрев сидений на форд фиесту мк6 (установка) - Ford Fiesta (Mk VI), 1,2 л, 20
Подогрев сидений на форд фиесту мк6 (установка) - Ford Fiesta (Mk VI), 1,2 л, 20
Предохранители ваз гранта 59 фото - KubZap.ru
Предохранители и реле Ford Mondeo 4 (2007-2014)
Предохранители Мондео 4 - DRIVE2
Предохранители Форд Фьюжн: где находятся, замена
Предохранители фьюжика - Ford Fusion, 1,6 л, 2011 года электроника DRIVE2
Предохранители фьюжика - Ford Fusion, 1,6 л, 2011 года электроника DRIVE2
Предохранитель подсветки номера форд фьюжн LkbAuto.ru
Предохранитель приборной панели форд мондео 3 60 фото - KubZap.ru
Предохранитель стоп сигнала форд фокус 2
Расположение и замена предохранителей, плавких вставок и реле. Оборудование и пр
Ремонт Ford Fusion : Расположение предохранителей, плавких вставок и реле и их з
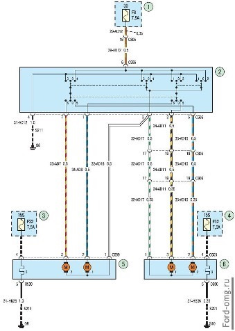
Ремонт Ford Fusion : Схема 30. Обогрев стекла двери задка и зеркал: 1, 4 - монта
Рокировка прикуривателей - Ford Fusion, 1,4 л, 2007 года электроника DRIVE2
Саморазборный китайский разветвитель прикуривателя) - Ford Fusion, 1,6 л, 2007 г
Схема предохранителей ford fusion 2008
Схема предохранителей ford fusion 2008
Схема предохранителей ford fusion 2008
Фокус 2 габариты предохранители
Форд Фьюжн 1 2002-2012, бензин: Расположение и замена предохранителей, плавких в
Форд фьюжн не включается
Что делать, если не включается зажигание на автомобиле Ford Mondeo IV: советы и
Что делать, если не включается зажигание на автомобиле Ford Mondeo IV: советы и