Мерседес спринтер центральный замок предохранитель - найдено 60 изображений

Смотреть видео: Мерседес спринтер центральный замок предохранитель



Найдено изображений: 60

Мерседес спринтер центральный замок предохранитель
Diagram 20. Sound signal (Mercedes-Benz Sprinter 1995-2000, diesel: Electrical e
Mercedes Sprinter W906 ключ перестал поворачивается в замке зажигания - YouTube
Mercedes-Benz Sprinter Снятие и установка Мерседес Спринтер
Mercedes-Benz W124 Замок зажигания Мерседес Бенц 124
pepene solid exil care este siguranță pentru claxon la vito Paradox stâncă Privi
Przekaźnik wstępnego żarzenia (Mercedes-Benz Vito 1 1996-2003: Silniki wysokoprę
Schemat 10. System antykradzieżowy EDW (Mercedes-Benz Sprinter 1995-2000, diesel
Scheme 2. Diesel engine control system with injection pump of distribution type
VDO Замок двери автомобиля, арт. 406205007022V, 1 шт. - VDO арт. 406205007022V -
Автомагнитолы Mercedes Sprinter - возможно всё
Блок предохранителей A9065454301 Мерседес Спринтер 906 2012 - YouTube
Блок предохранителей и реле Mercedes Sprinter W906
Блок центрального замка мерседес
Выскочила EDС и фсе
Газо - Ремонт автоэлектрики и автоэлектроники в Алматы - OLX.kz
ЕЛЕКТРОСХЕМИ Mercedes-Benz Sprinter 1995 - 2000р - Сообщество "Клуб любителей Me
Итак очередная поломка)))) - Mercedes-Benz Vito (1G), 2,3 л, 2000 года поломка D
Итак очередная поломка)))) - Mercedes-Benz Vito (1G), 2,3 л, 2000 года поломка D
Как снять контактную группу? (замок зажигания) - Страница 2 - Клуб любителей мик
Книга по ремонту Mercedes-Benz Sprinter (W906) - купить автокнигу "Руководство M
Может кому пригодится) Схема расположения предохранителей - Mercedes-Benz Vito (
Не срабатывает центральный замок - Mercedes-Benz E-class (W210), 3,2 л, 2001 год
Плохо заводится. Подозрение на топливный насос. Часть-2 - Mercedes-Benz B-Class
Предохранители и реле мерседес спринтер 906 - КарЛайн.ру
предохранители мерседес 208 - Авто Класс.ру
Радар слепых ЗОН ! Умер ! - Mercedes-Benz G-Class (W463), 3,2 л, 2013 года полом
Размещение предохранителей на vito w639 - Mercedes-Benz VITO Сообщения, Цитаты,
Распиновка дмрв бмв е36 - TouristMaps.ru
Реле предпускового запуска - Mercedes-Benz Vito (1G), 2,2 л, 2003 года запчасти
Ремонт насоса центрального замка! - Mercedes-Benz S-Class (W140), 4,2 л, 1995 го
решена проблема P1330 и снова на колесах - Mercedes-Benz Vito (1G), 2,2 л, 1999
Список предохранителей и реле (на русском языке). Расположение. - Mercedes-Benz
Спринтер классик предохранители фото HobbiArt.ru
Спринтер схема предохранителей
Стеклоподъемники ГОРЯТ - Mercedes-Benz E-class (W124), 2 л, 1995 года своими рук
Схема 17. Сістэма апалу салона (Мэрсэдэс-Бенц Спрынтар 1995-2000, дызель: Электр
Схема 22: Электрычныя шклапад'ёмнікі і цэнтральны замак (Мазда Капэла 3 (626) 19
Схема 4. Система керування дизельним двигуном 602.980 з ТНВД розподільчого типу
Схема 8. Механізм адбору магутнасці механічнай каробкі перадач (рухавікі 601 і 6
Схема 9. Камбінацыя прыбораў з электронным тахометрам (Мэрсэдэс-Бенц Спрынтар 19
Схема предохранителей в Mercedes-Benz W210 - DRIVE2
Схема предохранителей мерседес спринтер 312 - 82 фото
Схема центрального замка мерседес а 160 - фото - АвтоМастер Инфо
Схема центрального замка мерседес спринтер фото
Схемы и расположение блоков предохранителей W210 - Mercedes-Benz E-class (W210),
Удлинитель поворотников и "спасибо" на W124 (Модуль ленивец) - Mercedes-Benz E-c
Установка центрального замка мерседес спринтер - 94 фото
Установка центрального замка мерседес спринтер Локо Авто.ру
Установка центрального замка ч.2 - Mercedes-Benz Sprinter (1G), 2,9 л, 1998 года
Утечка тока 0.26 - Mercedes-Benz Vito (1G), 2,2 л, 2000 года своими руками DRIVE
центральный замок Mercedes Sprinter - Mercedes-Benz Sprinter (1G), 0,5 л, 1994 г
Центральный замок на Мерседес Спринтер классик купить в Уфе с доставкой Авито
Центральный замок спринтер
Центральный замок спринтер
Электрические схемы проводки мерседес, цвета и маркировка зависят от года выпуск
Электросхема мерседес вито
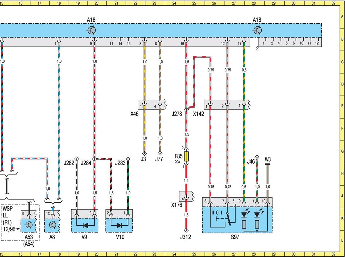
Электросхема центрального замка тип 2 Mercedes Benz Sprinter - Электросхемы авто
Электрычныя засцерагальнікі (Мэрсэдэс-Бенц Віта 2 2003-2014, Дызель: Агульная ін
Эпопея - ч.2. Блок предохранителей, контактная группа. - Mercedes-Benz Sprinter