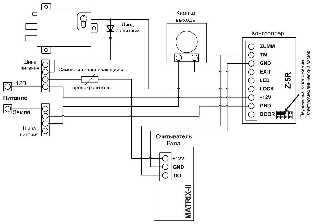
Контроллер домофона z 5r схема - найдено 60 изображений

Найдено изображений: 60









































.jpg)
















Смотрите также
- Как выглядит послед после
- Как должна выглядеть электронная почта
- Зарядное устройство 10 ампер схема
- Где находится номер двигателя exeed
- Двухэтапная схема оценки инвестиционного проекта
- Ключевой показатель при оценке успеха проекта
- Елена север и владимир киселев фото
- Где на камере видеонаблюдения находится кнопка reset
- Индивидуальный проект вов проблемы ч 10 класс
- Предохранители тойота авенсис т220
- Состав дизайн проекта квартиры
- Распиновка предохранителей ситроен ксантия
- Наталья вяль биография личная жизнь
- Проект на тему демографическая проблема
- Схема подключения игрушечный блок управления
- Роза скарлет мейяндекор фото и описание
- План продаж для менеджеров пример таблица
- Тольяттихимбанк отделение ул горького 96 фото
- Радиорубка сайт схемы передатчиков на транзисторах
- Футбол первенство россии таблица на сегодня