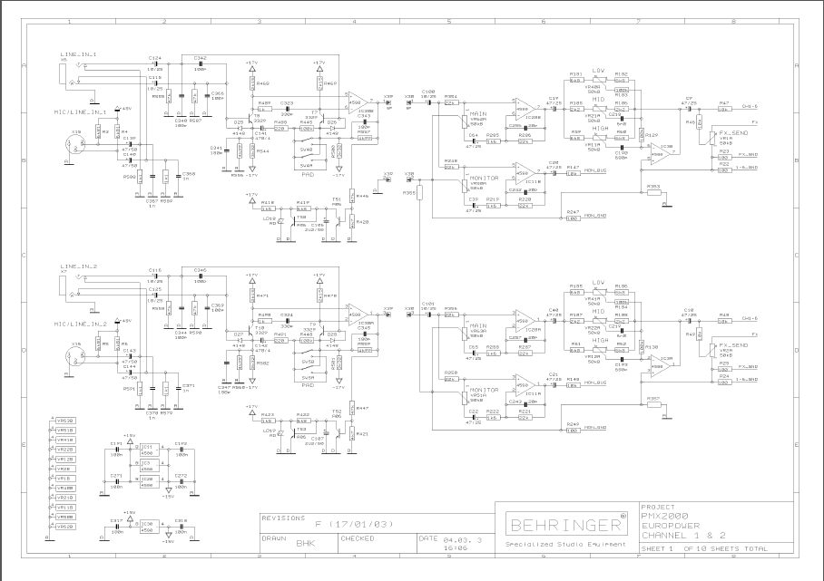
Behringer eurolive b115d схема платы микшера электрическая - найдено 30 изображений
Смотреть видео: Behringer eurolive b115d схема платы микшера электрическая
 
Найдено изображений: 30
 
	   
	   
	   
 
	   
	   
	   
	   
	   
	   
	   
	   
	   
 
	   
	   
	   
	   
	   
	   
	   
	   
	   
	   
	   
 
	   
	   
	  Смотрите также
- График работы почты 8
- Календарь лунных дней май
- Как выглядит дом братьев
- Кирилл емельянов актер фото
- Как выглядит компот в жизни
- Canon 50mm 1.8 примеры фото
- Блок управления ланос где находится
- Адель певица фото до похудения
- К какому типу текстов относится таблица
- Как снять чехол кпп логан 1
- Авангард на каком месте в турнирной таблице
- Василек певица биография и личная жизнь сегодня
- Как выглядит флаг saint kitts and nevis
- На сборочном чертеже ставят
- Примеры землетрясений в россии
- Магнит косметик уфа график
- Технологическая карта урока фк
- Реле 738.3747 схема подключения
- Таблица регионов автомобильных номеров скачать
- Примеры сложных веществ молекулярного строения
